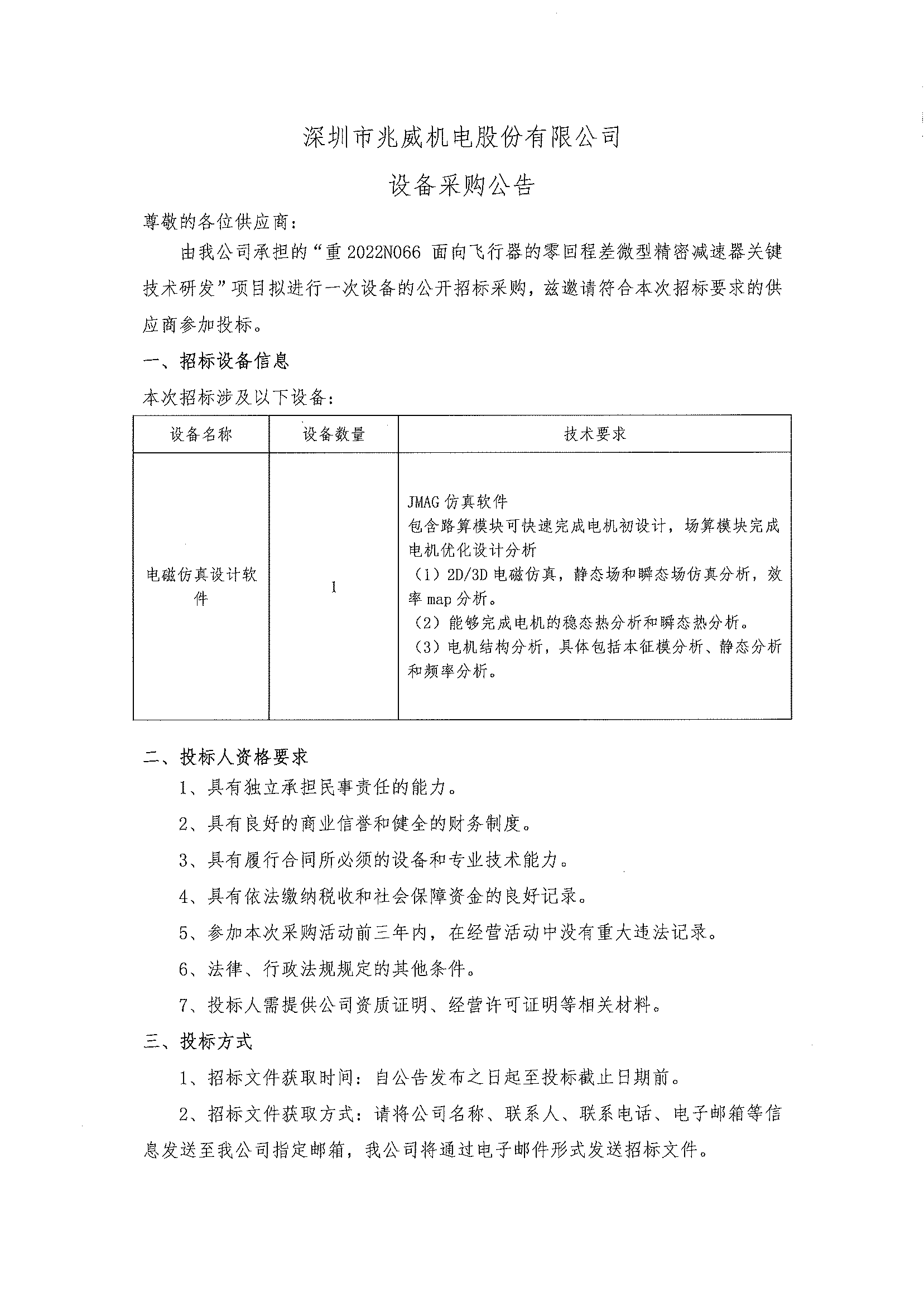
HJC黄金城官网机电2024年2月5日设备采购公告 2024-02-05 10:53 相关推荐 2021年宝博会展台设计方案评审结果 2021年上海国际智能家居展台设计方案评审结果 2021中国国际信息展览会展台设计方案评审结果 第十九届广州汽车展览会展台设计方案评审结果 设备采购招标公告 建设“深圳市智能机器人微型驱动控制系统工程研究中心”设备采购公告 上一篇 建设“深圳市智能机器人微型驱动控制系统工程研究中心”设备采购公告 下一篇 HJC黄金城官网机电设备采购招标公告 推荐方案 电动自行车电子避震器微型齿轮箱解决方案 医疗胰岛素注射笔驱动系统应用 汽车空调出风口调节执行器应用 割草机器人电动滚筒执行器应用 电动夹爪驱动系统应用 最新动态 载誉前行!HJC黄金城官网机电斩获第八届广东省政府质量奖 二十四载深耕微型驱动,HJC黄金城官网机电以创新绘就微型驱动新蓝图 “聚力价值·兆就威来”HJC黄金城官网机电2025年迎新春暨颁奖盛典圆满结束 HJC黄金城官网机电荣获“2024深圳机器人年度评选”双奖,赋能行业技术创新 HJC黄金城官网机电灵巧手亮相CES 2025,开启机器人技术新纪元 在线留言 MESSAGES 公司名(*): 姓名(*): 电话(*): 微信号: 详细需求: 验证码: ??8 × 1 =